
LFZB8-10A,B電流互感器為環(huán)氧樹脂澆注全封閉穿墻式結構,適用于額定頻率為50Hz或60Hz,額定電壓為10kV及以下的電力系統(tǒng)中作電能計量、電流測量和繼電保護用。本產品符合IEC60044-1及GB1208《電流互感器》標準。
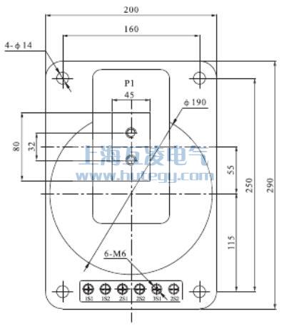
本型電流互感器為全封閉穿墻式結構,該產品體積小,安裝方便,是取代LA-10、LAJ-10、LFZ-10的新一代產品。
| 額定一次電流(A) | 準確級組合 | 額定二次輸出(VA) | 額定短時熱電流(KA) | 額定動穩(wěn)定電流(KA) | ||
| 0.2S 0.2 0.5S | 0.5 | 10P10 | ||||
| 20 |
0.2S/10P10 0.2/10P10 0.5S/10P10 0.5/10P10 0.2/0.5/10P10 0.2/10P10/10P10 0.5/10P10/10P10 |
10 | 15 | 15 | 2 | 5 |
| 30 | 3 | 7.5 | ||||
| 40 | 4 | 10 | ||||
| 50 | 6 | 15 | ||||
| 75 | 8 | 20 | ||||
| 100 | 12 | 30 | ||||
| 150 | 15 | 37.5 | ||||
| 200 | 20 | 50 | ||||
| 300 | 32 | 80 | ||||
| 400 | 36 | |||||
| 500、600 | 20 | 63 | 150 | |||
| 750、800 | 80 | 200 | ||||
| 1000、1200 | 100 | 250 | ||||
1 額定絕緣水平:12/42/75 kV;
2 額定二次電流:5A,1A;
3 額定一次電流、準確級組合、額定輸出及額定動、熱穩(wěn)定電流見表:
4 局部放電水平符合GB1208《電流互感器》標準;
5 污穢等級:Ⅱ級;


是依據電磁感應原理的。電流互感器是由閉合的鐵心和繞組組成。它的一次繞組匝數很少,串在需要測量的電流的線路中,因此它經常有線路的全部電流流過,二次繞組匝數比較多,串接在測量儀表和保護回路中,電流互感器在工作時,它的2次回路始終是閉合的,因此測量儀表和保護回路串聯線圈的阻抗很小,電流互感器的工作狀態(tài)接近短路。
